甲型平焊法蘭NB/T47021-2012(0.6壓力)
作者來源:平焊法蘭 ??來源:法蘭管件生產廠家??? 發布時間:2020-08-19
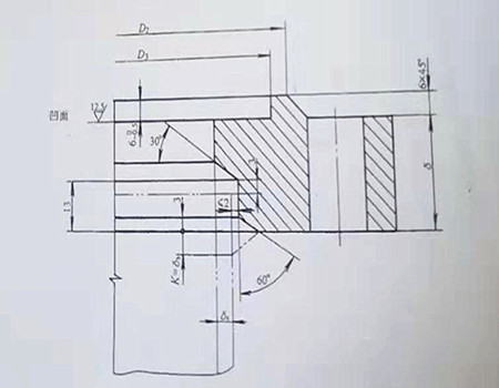
導讀:下面是0.6壓力甲型 平焊法蘭 NB/T47021-2012標準尺寸對照表 甲型平焊法蘭型號 甲型平焊法蘭外徑 甲型平焊法蘭螺栓孔中心距 甲型平焊法蘭密封面大小 甲型平焊法蘭凹槽尺寸 甲型平焊法蘭
下面是0.6壓力甲型平焊法蘭NB/T47021-2012標準尺寸對照表

|
甲 型 平 焊 法 蘭 型 號 |
甲 型 平 焊 法 蘭 外 徑 |
甲 型 平 焊 法 蘭 螺 栓 孔 中 心 距 |
甲 型 平 焊 法 蘭 密 封 面 大 小 |
甲 型 平 焊 法 蘭 凹 槽 尺 寸 |
甲 型 平 焊 法 蘭 凸 臺 尺 寸 |
甲 型 平 焊 法 蘭 厚 度 |
螺 栓 孔 直 徑 |
螺 栓 型 號 |
螺 栓 數 量 |
|---|---|---|---|---|---|---|---|---|---|
| DN | D | D1 | D2 | D3 | D4 | ∮ | d | 螺栓規格 | 螺栓數量 |
| 450 | 565 | 530 | 500 | 490 | 487 | 30 | 18 | m16 | 20 |
| 500 | 615 | 580 | 550 | 540 | 537 | 30 | 18 | m16 | 20 |
| 550 | 665 | 630 | 600 | 590 | 587 | 32 | 18 | m16 | 24 |
| 600 | 715 | 680 | 650 | 640 | 637 | 32 | 18 | m16 | 24 |
| 650 | 765 | 730 | 700 | 390 | 687 | 36 | 18 | m16 | 28 |
| 700 | 830 | 790 | 755 | 745 | 742 | 36 | 23 | m20 | 24 |
| 800 | 930 | 890 | 855 | 845 | 842 | 40 | 23 | m20 | 24 |
| 900 | 1030 | 990 | 955 | 945 | 942 | 44 | 23 | m20 | 32 |
| 1000 | 1130 | 1090 | 1055 | 1045 | 1042 | 48 | 23 | m20 | 36 |
| 1100 | 1230 | 1190 | 1155 | 1141 | 1138 | 55 | 23 | m20 | 44 |
| 1200 | 1330 | 1290 | 1255 | 1241 | 1238 | 60 | 23 | m20 | 52 |
需要不銹鋼法蘭,0.6壓力甲型平焊法蘭NB/T47021-2012隨時聯系我們甲型平焊法蘭專業生產廠家。
相關推薦
上一篇:甲型平焊法蘭NB/T47021-2012 ????? 下一篇:甲型平焊法蘭NB/T47021-2012尺寸
熱點關注
- 帶頸對焊鋼制管法蘭尺寸對照表標
- 化工部尺寸16壓力平焊法蘭片規格
- 美標法蘭蓋標準尺寸表PN15.0Map(C
- 法蘭密封面尺寸
- 化工部法蘭25壓力對焊法蘭尺寸表
- 對焊法蘭標準尺寸對照表(PN63壓
- PN5.0(Class300)美標法蘭蓋標準尺
- 甲型平焊法蘭NB/T47021-2012(0.6壓力
- 甲型平焊法蘭NB/T47021-2012尺寸
- 常用美標法蘭蓋標準尺寸表大全
- 最新不銹鋼法蘭價格表
- 2020年不銹鋼法蘭蓋價格
- 不銹鋼法蘭|不銹鋼鋼管|管件交貨
- JB/T81-94平焊法蘭尺寸表
- 化工部平焊法蘭25壓力尺寸
- 管螺紋法蘭尺寸對照表
- PN1.6Mpa(16壓力)國標法蘭蓋標準
- 對焊法蘭規格尺寸對照表
- 國標法蘭蓋型號規格尺寸表
- 美標大直徑對焊法蘭





